型号:2GH810-H17,三相电单叶轮5.5kw高压鼓风机参数:最大流量为530立方每小时,额定真空吸力为负压300mbar,额定出气压力为300mbar,噪音值为70分贝,净重为54公斤,进出风的口径为2.5寸内螺纹,即ND65。

2GH810/三相5.5kw高压鼓风机正面实物图
2GH810/单叶轮5.5kw高压鼓风机背面实物图
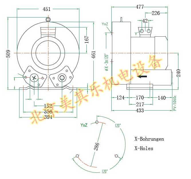
2GH810/三相5.5kw高压鼓风机尺寸图:
在线咨询信息:
陈先生 18224282
*** 四川 宜宾
你们的电机是欧标还是国标的
在线技术回复:
我们采用的是欧标的,二级节能电机,电机整体体积小一些,国标的电机体积有些大。
陈先生 18224282
*** 四川 宜宾
不定制的情况下支持50-60hz吗?
在线技术回复:
支持的,电机为宽频双电压,50-60HZ通用,也可以在40至65范围内随意调节,注意观察电机温升情况。
陈先生 18224282
*** 四川 宜宾
没小时多少度电,7.5kw多少钱,含税运昆山,质保多久
在线技术回复:
耗电量看风机的负载情况,负载小,耗电量小,质量一年,非人为情况下损坏免费维修或者更换。价格已让相关业务联系您了。
伏先生 13815652*** 江苏省 连云港市
发到江苏省 连云港市 海州区 板浦镇得几天时间,发什么快递啊
在线技术回复:
像风机这种重货都是走物流,小件风机可以发快递,正常情况下时效一般为3天左右,走专线物流也差不多是这个时效的